● AKH-L零序电流互感器
功能:
本系列零序电流互感器为开口式,一次主绝缘由电缆保证,产品仅考核二次绕组的绝缘性能,二次绕组对地能承受3kV工频耐压。
应用范围:
适用于户内、额定频率50Hz或60Hz、额定电压35kV及以下的小接地电流系统中供三相电缆接地保护用,也可与继电器配套使用。
订货范例:
具体型号:AKH-L-φ80 60A/1A
技术要求:孔径φ80,电流规格60A/1A,准确级10P10,额定负荷1VA。
通讯协议:无
辅助电源:无
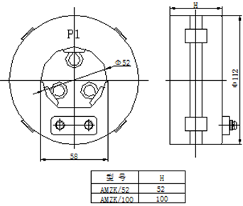
● AMZK系列电流互感器
功能:
本产品适用频率为50-60Hz,为开合式产品,安装极为方便,内部有三个橡胶圈用于固定一次电缆,一次主绝缘由电缆保证,产品仅考核二次绕组的绝缘性能。
应用范围:
10kV环网柜作电能计量、测量装置和继电保护用。
订货范例:
具体型号:AMZK52 150A/5A
技术要求:电流规格150A/5A,准确级0.5,额定负荷1.5VA。
通讯协议:无
辅助电源:无










