
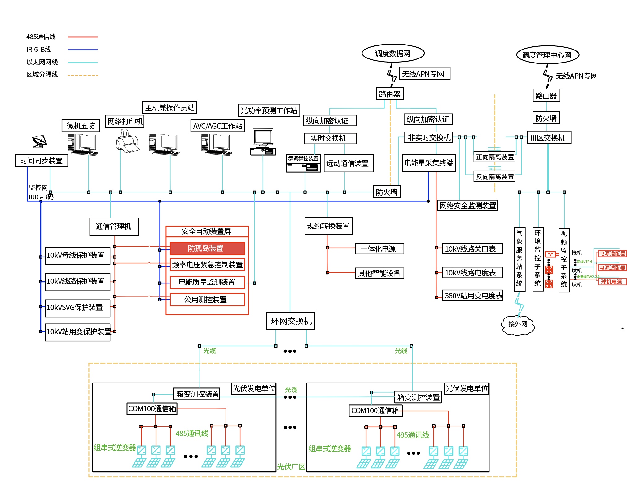
35kV、10kV及低压380V光伏发电、储能等新能源并网供电系统
● 两段式过电压保护
● 两段式频率保护
● 两段式低电压保护
● 频率突变跳闸
● 有压自动合闸
● 两段式逆功率保护




| 型号 | 主要功能 | 名称 | 应用场合 | 价格 |
|---|---|---|---|---|
| AM5SE-IS | 三段式过流保护(可经低电压闭锁、可带方向闭锁)、反时限过流保护(可经低电压闭锁)、两段式零序101过流(可带方向闭锁)/101反时限过流保护、两段式零序102过流(可带方向闭锁)/102反时限过流保护、两段式低电压保护(跳闸/告警)、两段式过电压保护(跳闸/告警)、零序过压保护(跳闸/告誉)、两段式逆功率保护、两段式频率保护(低频减载/高频保护)、频率突变跳闸、有压自动合闸、重合闸、后加速过流保护(可经低电压闭锁)、过负荷保护(跳闸/告警)、PT断线告警、控制回路断线告警、FC回路配合的过流闭锁功能、非电量保护(跳闸/告警)、检同期、CT断线告警、检修状态闭锁 | 防孤岛保护装置 | 35kV、10kV及低压380V分布式光伏发电、燃气发电等新能源井网供电系统。 | 7500 |