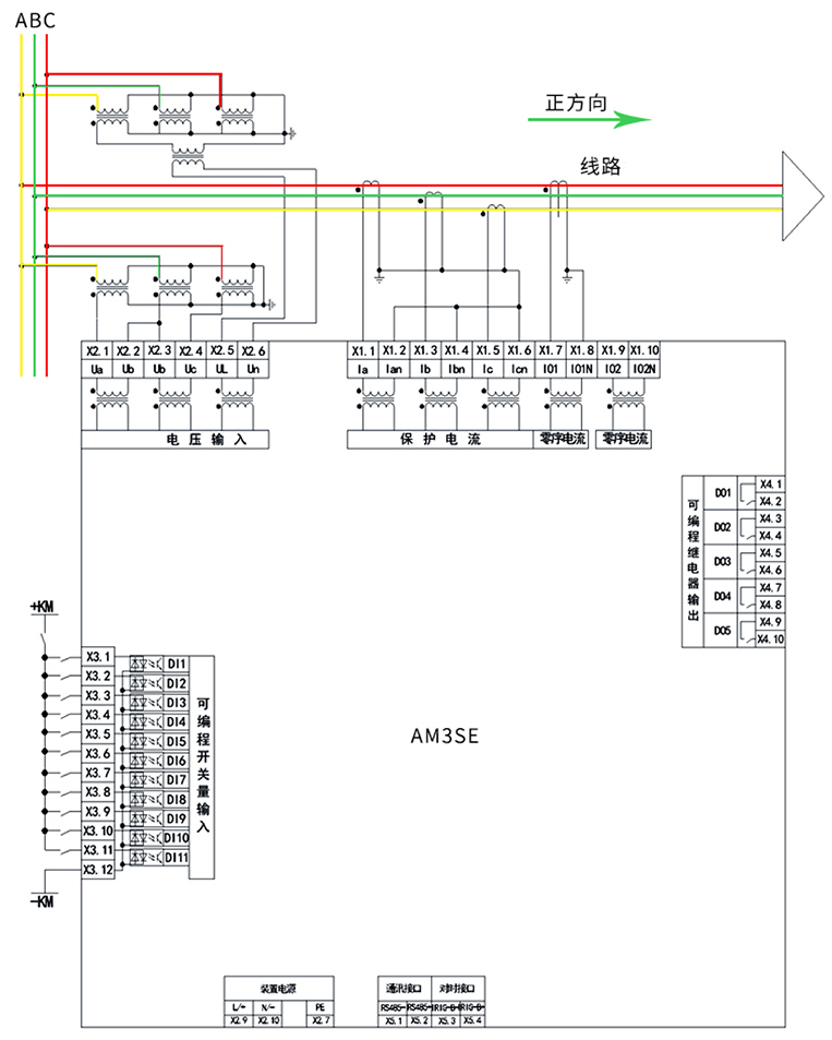
功能:
AM系列微机保护测控装置集保护、测量、控制于一体,适用于35kV及以下电压等级的用户终端变电站(所),可实现用户变电站的保护和测控。
应用范围:
应用领域覆盖电力、水利、交通、石油、化工、煤炭、冶金等行业。
订货范例:
具体型号:AM5-T 512112
技术要求:10kv变压器保护;电流输入5A;零序电流输入1A;操作电源DC220V;带防跳盒;不带GPS对时功能。
通讯协议:RS485接口 Modbus/RTU协议或103规约可设置
辅助电源:DC 220V




































